消防安全案例分析
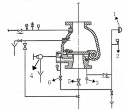
A.室内消火栓间距均不大于28m
B.设备层未设置消火栓
C.立管与水平管采用机械三通连接
D.消防水带长度为25.0m
E.消火栓箱内设置有消火栓接口、消防水带及消防水枪、干粉灭火器
7.4.6 室内消火栓的布置应满足同一平面有2支消防水枪的2股充实水柱同时达到任何部位的要求,但建筑高度小于或等于24.0m 且体积小于或等于5000m³的多层仓库、建筑高度小于或等于54m且每单元设置一部疏散楼梯的住宅,以及本规范表3.5.2中规定可采用1支消防水枪的场所,可采用1支消防水枪的1股充实水柱到达室内任何部位。
7.4.10 室内消火栓宜按直线距离计算其布置间距,并应符合下列规定:
1 消火栓按2支消防水枪的2股充实水柱布置的建筑物,消火栓的布置间距不应大于30.0m;A正确。
根据《消防设施通用规范》GB55036-2022
3.0.5 室内消火栓系统应符合下列规定:
3 在设置室内消火栓的场所内,包括设备层在内的各层均应设置消火栓;B错误。
12.3.12 沟槽连接件(卡箍)连接应符合下列规定:
6 配水干管(立管)与配水管(水平管)连接,应采用沟槽式管件,不应采用机械三通;C错误。
7.4.2 室内消火栓的配置应符合下列要求:
1 应采用DN65室内消火栓,并可与消防软管卷盘或轻便水龙设置在同一箱体内;
2 应配置公称直径65有内衬里的消防水带,长度不宜超过25.0m;
D正确。
根据《建筑设计防火规范》GB50016-2014(2018年版)
8.2.4 人员密集的公共建筑、建筑高度大于100m的建筑和建筑面积大于200m²的商业服务网点内应设置消防软管卷盘或轻便消防水龙。高层住宅建筑的户内宜配置轻便消防水龙。E错误。
你可能感兴趣的试题
A.压力开关与水泵之间的线路故障
B.压力开关设定值不正确
C.水泵控制柜未处于自动启泵状态
D.消防联动控制器输出模块损坏
E.水泵控制柜控制元件损坏
最新试题
大连中石油国际储运有限公司保税区油库由中国联合石油有限责任公司和大连港合资建设,油库一、二期共设20个原油贮罐(17个1
建业大厦位于广州越秀区起义路217号,高25层。自2009年开始,建业大厦在未经过规划验收、消防验收及未经有关部门同意的
2002年3月,瑞安市中兴公司经瑞安市工商局核准设立,公司主要从事复合薄膜、包装透明薄膜、压延包膜制造、加工。 7月22
某酒店为深入贯彻执行新《中华人民共和国消防法》《机关、团体、企业、事业单位消防安全管理规定》《××省消防条例》,确保宾客
某市政府酒店于1998年10月建成投入使用,占地面积为4865m²,建筑面积为9539m²,建筑为钢筋混凝土结构,共五层
某大型石油化工生产企业,原油加工能力1000万m³/年。厂区外设有原油储罐区,在厂区内设有成品油和液化石油气储罐区,油品
某市火车站地下商场,位于火车站站前地下广场1层,建筑面积约为1450m²,目前有100多家商户。该商场主要经营皮具、箱包
2011年7月20日,某工业园区当值安全员李某巡逻时,突然发现2号宿舍楼302员工宿舍有浓烟从窗户向外冒出,其意识到30
车站停车场为二层立体结构,南面、北面、西面均有疏散逃生出口。建筑结构为钢筋混凝土,耐火等级为二级。建筑物方位:坐北向南,
某公司投资建设的大型商业综合体由商业区和超高层写字楼、商品住宅楼及五星级酒店组成。除酒店外,综合体由建设单位下属的物业公

