【摘要】一级建造师频道为您提供一级建造师考试必备的复习资料和试题,供考生复习备考之用,本文为一建通信讲义:1L420050通信与广电工程项目施工成本控制,是考生必须要熟记和掌握的重点内容。2015
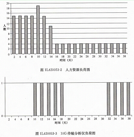
(2)根据资源配置以及进度计划横道图、资源计划矩阵可以绘制人力资源负荷图,如图1l420053-2所示,10G传输分析仪负荷图如图1l420053-3所示。

(3)根据资源计划矩阵、进度计划横道图、人工及设备单价可计算出成本预算,如表1l420053-3所示。根据成本预算表可绘制出本项目的成本负荷图,如图1l420052-4所示;成本累积负荷曲线,如图1l420053-5所示。


友情提示:如果您在此过程中遇到任何疑问,请登录一级建造师频道及考试论坛,随时与广大考生朋友们一起交流!
编辑推荐:
关于注册一级建造师证书挂靠的那些事
各地2014年一级建造师考试准考证打印时间【汇总】
2014年一级建造师《各科目》实战模拟题与答案汇总
2014年一建《工程法规》教材解读与命题考点解析
交流互动:一建微博|微信edu24ol_jzs1|QQ群342289995